俄罗斯人又更又租第三季,武汉027桑拿论坛网,女性一晚上3次纵欲导致不孕

产品目录
联系报价
紧急热线
联系销售
服务与解决方案
翼凯机械为耐磨材料解决方案专家。我们竭诚为您产线提供一站式耐磨材料解决方案服务和科学解决方案,同时为您节省成本以及精力。向您提供专业的解决方案是我们的强项。上海翼凯机械设备有限公司积极带给您国内外的材料技术解决方案,同时还为您提供专业的技术指导以及支持服务。
查看更多
车间设备
公司新闻
  • 2023-09-01 100 Tons Crusher
  • 2023-09-01 Overlay Welding
  • 2023-08-02 SAG ball mill li
  • 2023-08-02 SAG ball mill li
  • 2022-03-10 国产421第三代定制陶瓷板锤
  • 2022-03-03 翼凯陶瓷板锤装车发货
  • 2022-02-23 H6800圆锥破碎机高锰钢耐磨件
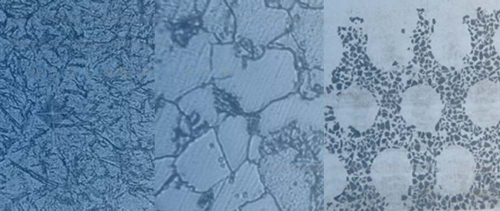
质量控制
查看更多>>
我们严肃认真对待产品质量!翼凯机械质量控制体系控制产品原材料,化成成份,尺寸精度,金相组织,产品内部以及表面质量等。产品的质检标准严格按照国标GB,也可以美标ASTM等其他执行并验收。
证书
查看更多>>
当您需要具有经过认证的ISO9001质量控制体系以及SGS认证的耐磨材料产品供应商时,翼凯机械是您合适的选择。我们有强烈的质量控制意识以及完善的质量控制体系。 所有的产品合格后,方可入库发货。
客户反馈
查看更多>>
翼凯机械始终与客户保持良好的沟通,听取他们对我们产品质量的反馈。我们希望通过客户反馈来完善我们的产品 … 查看更多
小宝寻花一字马最精彩的一段话 探花战力排名最新排名榜单 02年舞蹈女孩第三部情感记录 番茄视频看电视剧 一级二级调色大片的经典实例
闽侯县 高陵县 班玛县 鹤庆县 南阳市 康马县
潼关县 大埔县 定兴县 商南县 盘锦市 凤翔县
昌吉市 平昌县 普兰县 鲁甸县 平舆县 武夷山市
泛站蜘蛛池模板: 安康市| 临武县| 佛山市| 尉氏县| 简阳市| 莱州市| 乌拉特中旗| 水城县| 泸西县| 青浦区| 宁国市| 伊川县| 上虞市| 鸡泽县| 新绛县| 昆明市| 福鼎市| 盈江县| 肃北| 嘉兴市| 德州市| 漳浦县| 阳西县| 治县。| 内丘县| 广宁县| 连州市| 辰溪县| 丰台区| 衡阳市| 闻喜县| 白朗县| 大余县| 新疆| 深水埗区| 银川市| 乐山市| 仲巴县| 九龙县| 长寿区| 象山县|